Продаж запчастин:
+38-067-578-84-61
0
Продаж запчастин:
+38-067-578-84-61
0
Запчастини
ХТЗ-248К.20
ХТЗ-249К.20
Продукція
Гарантія та сервіс
Про завод
DCH
Наглядова рада
Управлінська команда
Публічна інформація
Історія заводу
Медіа
Контакти
Каталог
ХТЗ-249К.20
Система випуску
Система випуску (частина 1)
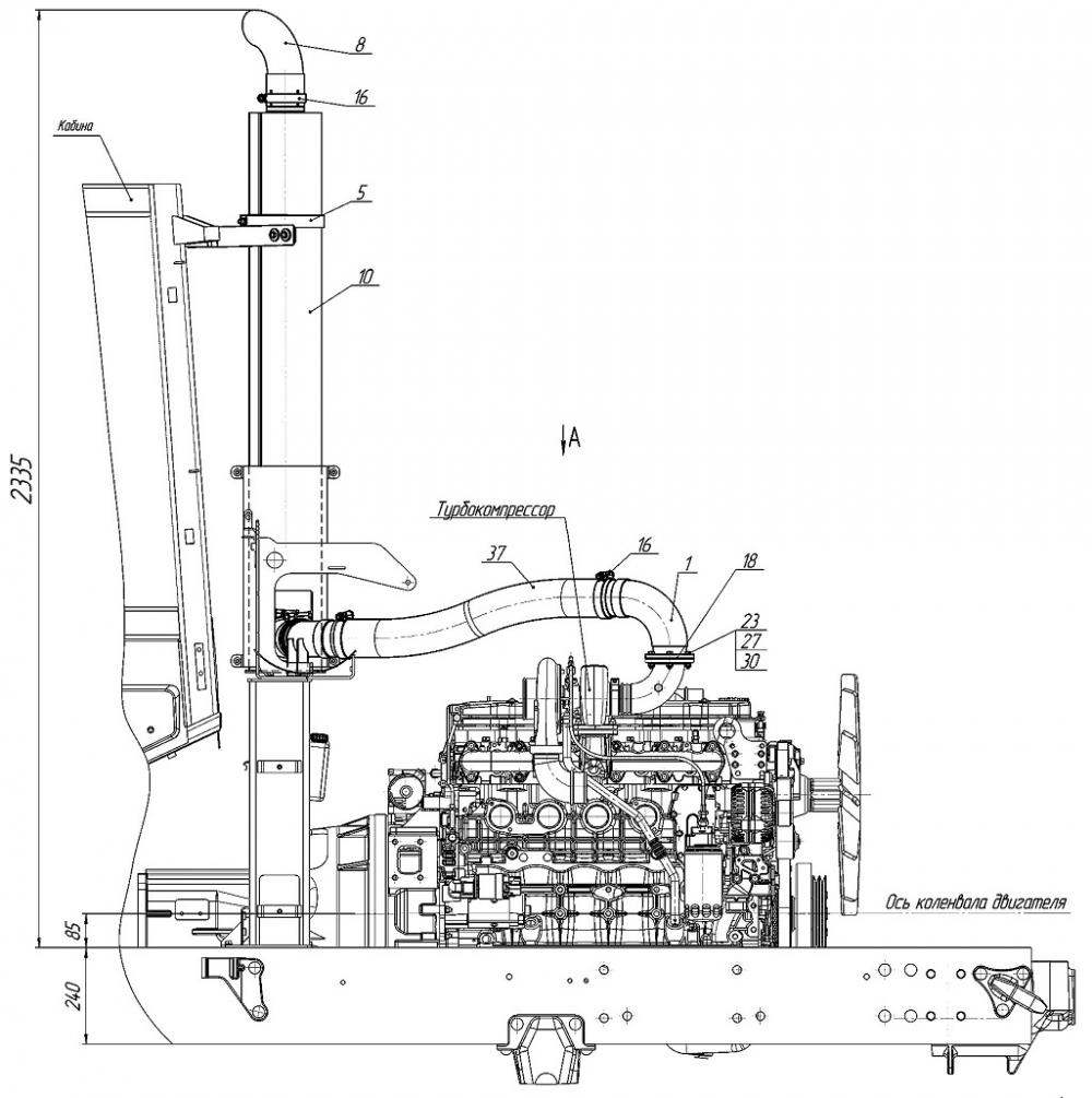
Система випуску (частина 1) ХТЗ-249К.20
1
Номер: 248К.10.010
ТРУБА
0.00
5
Номер: 170.00.028-01
ХОМУТ
0.00
8
Номер: 170.10.017
ПАТРУБОК
0.00
10
Номер: 242К.10.015
ГЛУШНИК З ПОКРИТТЯМ
0.00
16
Номер: 17221.10.033
ХОМУТ 90 В ЗБОРІ
0.00
18
Номер: 248К.10.103
ПРОКЛАДКА
0.00
23
Номер: БНП-М8.6G*35.35
БОЛТ М8-6gх35.88.35.019 ГОСТ 7795-70
0.00
27
Номер: Г-М8.6Н.111
ГАЙКА М8-6Н.6.0112 ГОСТ 5927-70 (чи ГОСТ 5915-70 чи DIN 934)
0.00
30
Номер: ШГН-8 65Г.20
ШАЙБА 8 65Г 05 ГОСТ 6402-70
0.00
37
Номер: 000.4859.20.000-90-700
МЕТАЛОРУКАВ
0.00