Продаж запчастин:
+38-067-578-84-61
0
Продаж запчастин:
+38-067-578-84-61
0
Запчастини
ХТЗ-248К.20
ХТЗ-249К.20
Продукція
Гарантія та сервіс
Про завод
DCH
Наглядова рада
Управлінська команда
Публічна інформація
Історія заводу
Медіа
Контакти
Каталог
ХТЗ-249К.20
Муфта зчеплення
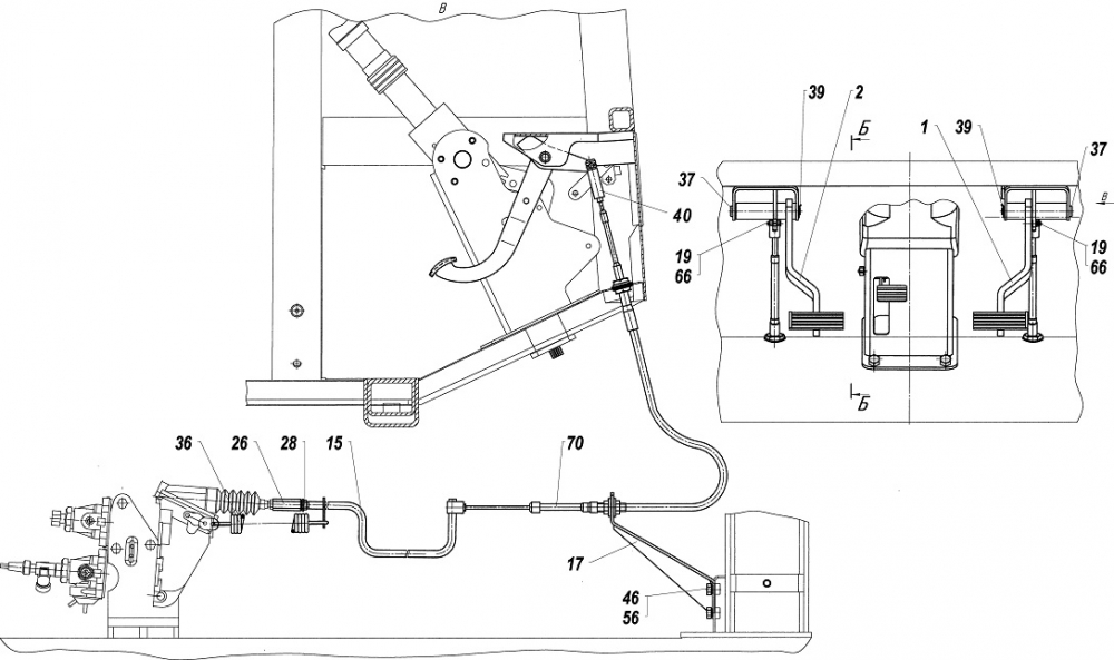
Управління муфтой зчеплення та тормозами (частина 2)
Управління муфтой зчеплення та тормозами (частина 2) ХТЗ-249К.20
1
Номер: 21022.21.022
ПЕДАЛЬ
0.00
2
Номер: 21022.21.023
ПЕДАЛЬ
0.00
15
Номер: 17222.64.0112-1
ТЯГА
0.00
17
Номер: 242К.64.0111
КРОНШТЕЙН
0.00
19
Номер: 54.20.405
ПАЛЕЦЬ
35.50
26
Номер: 150.21.260-2
ТЯГА
0.00
28
Номер: 150.21.294
ГАЙКА М12-6.0112.ГОСТ 5915-70 (чи Гайка DIN 934-М12LH-8-A4A)
0.00
36
Номер: 151.64.172
ПРУЖИНА
127.90
37
Номер: 153.40.174
ВІСЬ
0.00
39
Номер: 153.40.177А
СТОПОР
46.70
40
Номер: 180.97.121-02
ВИЛКА
0.00
46
Номер: БНП-М10.6G*20.46
БОЛТ М10-6gх20.88.35.019 ГОСТ 7796-70 (чи DIN 933)
0.00
56
Номер: ШГН-10 65Г.20
ШАЙБА 10 65Г 05 ГОСТ 6402-70
0.00
66
Номер: Ш-3,2*20.30
ШПЛІНТ 3,2х20.019 ГОСТ 397-79
0.00
70
Номер: 23.588.1.1.2.00-10
ТРОС 23.588.1.1.2.00-10 ТУ У29.3-32200047-005-20004 L=1100мм д.у.
0.00